Official McClane 21 5 BS SP reel lawn mower parts Sears PartsDirect View larger
  • Craftsman reel mower parts cheap
  • Lawn Edger Pulley for Power Trim 334 334 1 Mclane 1063
  • Craftsman reel mower parts cheap
  • Amazon Craftsman 1816 16CR 16 Inch 5 Blade Push Reel Lawn Mower with Grass Catcher Red Patio Lawn Garden
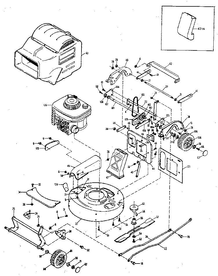
  • Tecumseh OH160 170095A 143 680032 Craftsman 170095A OH160 Parts Diagram for Engine Parts List 3

Craftsman reel mower parts cheap

Craftsman reel mower parts cheap, Official McClane 21 5 BS SP reel lawn mower parts Sears PartsDirect cheap

$80.00

SAVE 50% OFF

$40.00

- +

Add to wishlist


Frasers Plus

$0 today, followed by 3 monthly payments of $13.33, interest free. Read More


Craftsman reel mower parts cheap

Official McClane 21 5 BS SP reel lawn mower parts Sears PartsDirect

2x Scotts push reel mower bearing 30137

Lawn Edger Pulley for Power Trim 334 334 1 Mclane 1063

2.7MB 2001 null null null 15 6 2003 null 8y8edsk3UKN1zM

Amazon Craftsman 1816 16CR 16 Inch 5 Blade Push Reel Lawn Mower with Grass Catcher Red Patio Lawn Garden

Tecumseh OH160 170095A 143 680032 Craftsman 170095A OH160 Parts Diagram for Engine Parts List 3

Description

Product Name: Craftsman reel mower parts cheap
Craftsman 328815350 Reel Mower OEM Replacement Parts From eReplacementParts cheap, Official Craftsman reel lawn mower parts Sears PartsDirect cheap, Craftsman 29191641 Reel Mower OEM Replacement Parts From eReplacementParts cheap, Official Craftsman reel lawn mower parts Sears PartsDirect cheap, CL Clipper Reel Mower Complete Replacement Parts cheap, CRAFTSMAN 16 REEL MOWER PARTS SELECT A PART 30377 cheap, Amazon Replacement Parts for Recoil Starter Pull Starter Rewind for 6.75HP for Sears Fits for Craftsman Eager 1 Lawn Mower huPart c232227 cheap, Old Craftsman 20 Reel mower Lawn Care Forum cheap, 536916601 Craftsman Walk Behind Lawn Mower Parts Free Repair Help AppliancePartsPros cheap, Official Craftsman lawn mower parts Sears PartsDirect cheap, Official McClane 21 5 BS SP reel lawn mower parts Sears PartsDirect cheap, 2x Scotts push reel mower bearing 30137 cheap, Lawn Edger Pulley for Power Trim 334 334 1 Mclane 1063 cheap, 2.7MB 2001 null null null 15 6 2003 null 8y8edsk3UKN1zM cheap, Amazon Craftsman 1816 16CR 16 Inch 5 Blade Push Reel Lawn Mower with Grass Catcher Red Patio Lawn Garden cheap, Tecumseh OH160 170095A 143 680032 Craftsman 170095A OH160 Parts Diagram for Engine Parts List 3 cheap, Thoughts on Craftsman Reel Mower Lawn Care Forum cheap, Amazon Craftsman 1816 18CR 18 Inch 5 Blade Push Reel Lawn Mower with Grass Catcher Red Patio Lawn Garden cheap, Sharpening a Reel Mower The Art of Manliness cheap, Craftsman vintage reel mower rebuild Lawn Care Forum cheap, Amazon Craftsman 1816 16CR 16 Inch 5 Blade Push Reel Lawn Mower with Grass Catcher Red Patio Lawn Garden cheap, Husqvarna Reel Mower Lawn Mower OEM Replacement Parts From eReplacementParts cheap, Craftsman 917370601 Lawn Mower OEM Replacement Parts From eReplacementParts cheap, Garden Dreams Reel Mower Chiot s Run cheap, Garden Dreams Reel Mower Chiot s Run cheap, 2.7MB 2001 null null null null 6 2003 null 8y8edsk3UKN1zM cheap, Craftsman 917388510 Walk Behind Lawn Mower OEM Replacement Parts From eReplacementParts cheap, CRAFTSMAN Base Attachment for Riding Mower in the Lawn Mower Parts department at Lowes cheap, Amazon Craftsman 1816 18CR 18 Inch 5 Blade Push Reel Lawn Mower with Grass Catcher Red Patio Lawn Garden cheap, Craftsman Reel Cylinder Walk Behind Lawn Mower Lawn Mowers for sale eBay cheap, Craftsman Reel Mower r ReelMowers cheap, CRAFTSMAN Reel Lawn Mowers at Lowes cheap, H model Reel Rollers cheap, Need advice on old craftsman reel 20 mower Lawn Care Forum cheap, Lawn Mowers Parts and Mower Accessories Blain s Farm Fleet cheap.

Craftsman reel mower parts cheap